
611.1411.029
Altech SD and SID Series, SD With [Designation - SD-U1] and [Maximum Switching Voltage - 240V] and [Maximum Switching Amperage - 16A].
2 reported as of 02/06/24
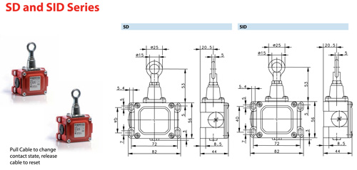
Metal Body without Tension Monitor
≤ 20/min
400VAC
IP65
-30 °C to 80 °C
1 x 106
240V
16A
19.7 Ft. (6 Meters)
SD-U1
On Request
CSA
AC-15, Ue/Ie 240 V / 3A
Not available at this time.