
601.1431.857
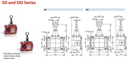
Altech SD and SID Series, SID With [Designation - SID-UV1Z] and [Maximum Switching Voltage - 240V] and [Maximum Switching Amperage - 16A].
1 reported as of 02/06/24
Metal Body with Tension Monitor
max. 20/min
400VAC
IP65
-30 °C to 80 °C
1 x 106
240V
16A
13.1 Ft. (4 Meters)
SID-UV1Z
On Request
CSA
AC-15, Ue/Ie 240 V / 3A
Not available at this time.