Product Attributes

Rated Voltage UN

48-72 AC/DC

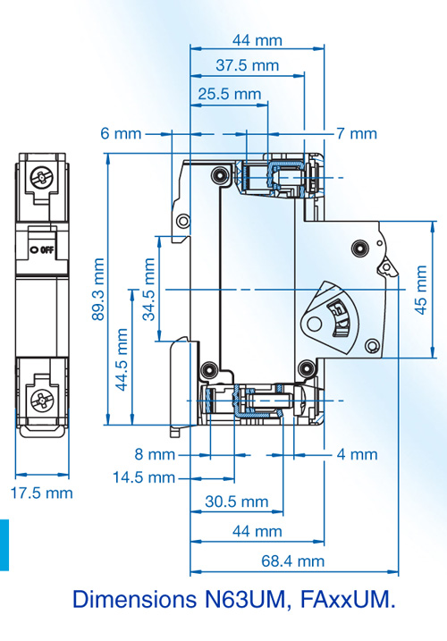
Product Specs
Photo-2
Photo
Packing Info

Std. Pack 5

MFG WEB Page
Max. Operating Current @ UN

0.2A

Alternate Note

Please note Altech Brand Crosses to ABL/Doepke PN: FA48UM

Alternate

FA48UM

Attributes for sub

FA48ACR (ALTCH)

Not available at this time.