
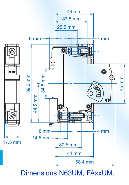
FA110UM
Altech Shunt Trip
20 reported as of 02/06/24
110-240V AC/DC, 277V AC
Std. Pack 5
0.25A @ 110V, 0.5A @ 240V, 0.58A @ 277V
Please note Altech Brand Crosses to ABL/Doepke PN: FA110UM
FA110UM
FA110ACR (ALTCH)
Not available at this time.